法拍桃園觀音透天

法拍屋,法拍屋代標,法拍屋出售
桃園廠房,桃園廠房出租,桃園工業地
最後更新:12小時內
房子基本資料
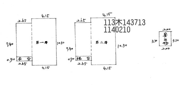
案名 台北新北法拍|112 崙坪工業區|崙坪國小|二層樓透天附頂加 案號 桃園113木143713
地址 桃園市觀音區忠富路崙坪段156號2層樓( 附同棟暨第3層頂加增建坪19.74坪 )
銷售狀態 待標中 售價
售438萬4000元
房子類型法拍透天_附頂樓加蓋 總登記坪數 41.05 坪
格局 2層樓透天厝( 附同棟暨三樓頂加增建坪19.74坪 ) 屋齡 43年
每坪單價 10.68萬/坪 公設比
車位 座向
無障礙環境 沒有 法拍屋 本物件是法拍屋
拍次 : 3
開標日期 : 114/11/12(三) 14:30
建物所在樓層 1+2+3樓/共2層樓 管理費
管委會 沒有 中庭 沒有
電梯 沒有 是否為凶宅 不是
300公尺內嫌惡設施 面前道路
面寬 縱深
邊間 不是 房子銷售來源 不動產經紀人/專業仲介
房子特色
104法拍網代標//透明房訊 //法拍讀書會//透明實價網//投資課程㊣㊣㊣業界最大法拍屋專業機構㊣㊣㊣
法拍個案拍賣資訊均與 司法院 // 台灣金融資產服務股份有限公司// 法務部行政執行署拍賣資訊同步刊登,隨時更新!!!
★法拍屋不提供賞屋服務→可透過地政機關建物平面圖、位置圖等資料分析判斷之★

本件拍賣資訊節錄:
點交情形→本件標的建物查封時據債務人在場表示由其自住使用,屋內髒亂,牆壁有水漬、壁癌及油漆剝落,一樓、頂樓有增建,另據債權人查報稱標的房屋目前由債務人與兄弟及母親居住使用。惟本件標的物實際使用狀況,仍請投標人應自行至現場查明注意,本件拍定後點交。(特別提醒:謄本資料:602建號,1層:5.68,3層:56.16,1層使用鄰地882地號部分3.4,合計:65.24㎡與公告不符,請應買人自行確認注意!)

謄本資料→[謄本]:總坪數41.05坪[主建坪37.73坪,附屬坪3.32坪],另增建坪19.74坪(建號:602)[加強磚造/住家用]

是【大學法律學系的法學士】→1996年畢業
也是【通過國家考試及格執業21年的代書】→2004年迄今
更是【任職律師事務所職司法律相關事務30年的法務經理】→1995年迄今
能精準為您分析判讀法拍個案的觸角,維繫您的個案權益。
專業指名:張世興代書            
服務專線:02-2263-1206
行動電話:0986-666-000

公司名稱:一零四法拍網股份有限公司/統一編號28306523
經紀人名字&字號:林桂英/北市經證第001243號
營業員名字&證照號碼:張世興/(107)登字第331706號

個案物件均依各拍賣機關拍賣公告底價投開標.如當拍未拍定時,除經債權人聲明指定底價外.原則依前拍底價酌減20%估算次拍底價(強制執行法第91條、92條參照)
【第一拍:685萬114年08月06日流標】
【第二拍:548萬114年09月10日流標】
【第三拍:438.4萬114年11月12日待標】

張世興代書→其他法拍屋搜尋網站:
H0USEINFO→http://www.沿金標法拍.tw
樂屋網→ https://vip.rakuya.com.tw/0986666000/sell
坪數說明
建物登記總坪數 41.05 土地登記總坪數 20.88
主建物坪數 37.73 停車位坪數
附屬建物坪數 3.32 公共設施坪數
增建坪數 19.74 地下室坪數
周邊環境
生活機能 鄰近交通
鄰近地標 公園綠地
鄰近學區 捷運站
房子聯絡人資訊
聯絡人姓名 張世興
(煩請告知聯絡人,您是在House-Info房屋網看到這則廣告,真摯感恩您的幫忙)
手機
0986-666-000
電子信箱
Skype通話 Line加入好友
所屬公司名稱 一零四法拍網股份有限公司 / 統一編號 28306523
公司電話 沿金標法拍◆(02)2270-0600 ★ 0986-666-000 張世興代書◆『法拍』購屋首選 公司傳真 (02)2274-0884
公司地址 新北市土城區金城路二段396號11樓
網 址 http://www.沿金標法拍.tw
贊助商廣告
大桃園廠房,大桃園工業地,大桃園工業地廠房
桃園廠房出租,桃園工業地,桃園廠房工業地
桃園觀音法拍透天-1
桃園觀音法拍透天-1
桃園觀音法拍透天-2
桃園觀音法拍透天-2
桃園觀音法拍透天-3
桃園觀音法拍透天-3
桃園觀音法拍透天-4
桃園觀音法拍透天-4
桃園觀音法拍透天-5
桃園觀音法拍透天-5
桃園觀音法拍透天-6
桃園觀音法拍透天-6
觀看地圖

桃園市觀音區忠富路崙坪段156號2層樓( 附同棟暨第3層頂加增建坪19.74坪 )-透天

物件留言
請注意,如果您詢問的內容與物件不相符合或是廣告,經過審核,系統將會直接刪除您的發問內容
等待圖示
檢舉物件不實
等待圖示
黃金曝光
相似物件
www.house-info.tw房屋網免責聲明:本系統為租用式開放房子買賣網站建置平台,僅提供會員查詢-法拍桃園觀音透天-等房子資訊參考,並不涉入任何諮詢、交易。 物件(服務)聯絡人公佈的資訊、文字、照片、圖形、產權、廣告內容、或其他資料若有不實或違法情事,或與客戶聯絡交易過程中若衍生民事或刑事等法律問題,皆與本房屋網站無關,所有商標、文章、名稱等版權,皆歸屬原著作者所有!
●電話:07-7963288