法拍桃園市公寓

法拍屋,法拍屋代標,法拍屋出售
桃園廠房,桃園廠房出租,桃園工業地
最後更新:6小時內
房子基本資料
案名 桃園火車站公寓林森路71巷 案號 114九17531甲
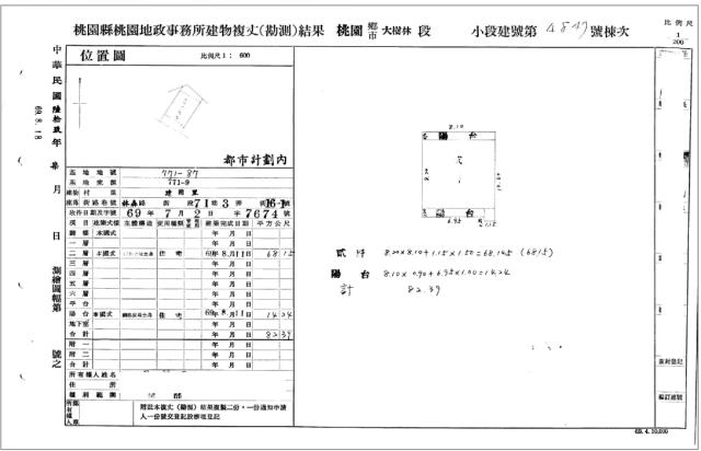
地址 桃園市桃園區林森路71巷3弄16-1號2樓<5>
銷售狀態 待標中 售價
售723萬5000元
房子類型法拍公寓 總登記坪數 26.68 坪
格局 屋齡 45年
每坪單價 27.12萬/坪 公設比
車位 座向
無障礙環境 法拍屋 本物件是法拍屋
拍次 : 第一拍
開標日期 : 114/12/11(四)
建物所在樓層 2樓/共5樓 管理費
管委會 中庭
電梯 未知 是否為凶宅
300公尺內嫌惡設施 面前道路
面寬 縱深
邊間 房子銷售來源 不動產經紀人/專業仲介
房子特色

▲拍賣公告:桃園法院
▲拍賣標的物:桃園市桃園區林森路71巷3弄16-1號2樓<5>
▲【謄本資料】:
建物登記:總坪數26.68坪主建坪20.62坪,附屬坪4.31坪,公設坪1.75坪
▲【法院筆錄】:
本件標的建物於114年3月12日現場查封時,屋內有一狗叫聲,應係中大型犬隻,本日未入屋;
114年8月27日現場入屋執聲,債務人之配偶在場,稱債務人現居於此。
▲【生活機能】:
▲【拍次說明】:
標售拍次(目前拍次底價):
第一拍底價:723萬
第二拍底價:
第三拍底價:
拍賣日期:114/12/11(四)
▲台北∣新北∣桃園∣新竹
★Houseinfo:http://www.xn--ogt54mdnjqrqpix.tw/
▲【代標服務】
<過濾案件>追蹤拍賣日期...
<評估案件>投標全場陪同及標價最後建議...
<包辦交屋>與法院協商現住人交屋事項...
<代墊尾款>辦理銀行代墊及投標尾款手續...

※此案件為法拍屋無法看屋,實際狀況以法院筆錄為主。
詳細資訊了解請撥李小姐(02)8260-2416|0986-508652
財欣不動產管理顧份有限公司【統一編號】28306523
坪數說明
建物登記總坪數 26.68 土地登記總坪數
主建物坪數 20.62 停車位坪數
附屬建物坪數 4.31 公共設施坪數 1.75
增建坪數 地下室坪數
周邊環境
生活機能 鄰近交通
鄰近地標 公園綠地
鄰近學區 捷運站
房子聯絡人資訊
聯絡人姓名 李小姐
(煩請告知聯絡人,您是在House-Info房屋網看到這則廣告,真摯感恩您的幫忙)
手機
0986-508-652
電子信箱
Skype通話 Line加入好友 Line加入好友
所屬公司名稱 財欣不動產管理顧問有限公司/統編2830 6053
公司電話 聯絡電話:02-82602416 / 0986508652 公司傳真
公司地址 新北市土城區金城路二段396號11樓/桃園市莊敬路一段346號4樓
網 址 http://www.精選法拍屋.tw
贊助商廣告
大桃園廠房,大桃園工業地,大桃園工業地廠房
桃園廠房出租,桃園工業地,桃園廠房工業地
桃園桃園區公寓法拍-1
桃園桃園區公寓法拍-1
桃園桃園區公寓法拍-2
桃園桃園區公寓法拍-2
桃園桃園區公寓法拍-3
桃園桃園區公寓法拍-3
觀看地圖

桃園市桃園區林森路71巷3弄16-1號2樓<5>-公寓

物件留言
請注意,如果您詢問的內容與物件不相符合或是廣告,經過審核,系統將會直接刪除您的發問內容
等待圖示
檢舉物件不實
等待圖示
黃金曝光
相似物件
www.house-info.tw房屋網免責聲明:本系統為租用式開放房子買賣網站建置平台,僅提供會員查詢-法拍桃園市公寓-等房子資訊參考,並不涉入任何諮詢、交易。 物件(服務)聯絡人公佈的資訊、文字、照片、圖形、產權、廣告內容、或其他資料若有不實或違法情事,或與客戶聯絡交易過程中若衍生民事或刑事等法律問題,皆與本房屋網站無關,所有商標、文章、名稱等版權,皆歸屬原著作者所有!
●電話:07-7963288