法拍新北瑞芳公寓

法拍屋,法拍屋代標,法拍屋出售
最後更新:2小時內
房子基本資料
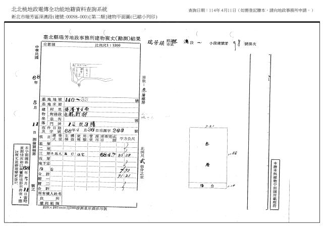
案名 瑞濱國小 邊間陽光三樓 新北市瑞芳區永龍新邨12號3樓 案號 第二拍115/3/31(二)
地址 新北市瑞芳區永龍新?12號3樓
銷售狀態 待標中 售價
售340萬售289萬
房子類型法拍公寓 總登記坪數 27.59 坪
格局 屋齡 47年
每坪單價 10.47萬/坪 公設比
車位 座向
無障礙環境 法拍屋 本物件是法拍屋
拍次 : 2
開標日期 : 第二拍115/3/31(二)
建物所在樓層 3/3 管理費
管委會 中庭
電梯 沒有 是否為凶宅 不是
300公尺內嫌惡設施 面前道路
面寬 縱深
邊間 房子銷售來源 不動產經紀人/專業仲介
房子特色

新北市瑞芳區法拍屋|永龍新邨法拍|瑞芳公寓法拍|瑞芳一拍法拍|瑞芳低總價法拍|瑞濱國小法拍



瑞芳法拍屋-新北市瑞芳區永龍新邨12號3樓|公寓|點交



房屋類型:公寓

建物所在樓層:3樓/總樓層3樓

屋齡:約47年

房屋格局:依現況



建物登記總坪數:27.58坪

主建物坪數:25.19坪

附屬建物坪數:2.39坪

土地登記坪數:11.79坪



建物結構:RC

主要用途:住家用



地址:新北市瑞芳區永龍新邨12號3樓



生活機能:

近瑞濱國小,步行可達

鄰近台鐵瑞芳車站,交通便利

瑞芳生活圈成熟,基本採買可滿足



【法院筆錄摘要】

●點交情形:有點交

債務人母親偶爾居住,有水有電,無增改建、無分管車位。

現況屋內天花板及牆壁油漆嚴重剝落,木質隔間腐壞,部分牆壁龜裂及水泥塊剝落,後門損壞,屋內遺留老舊破損家具,拍定後依現況點交。

經查無火災、輻射屋、海砂屋或地震受創紀錄,惟物之瑕疵拍定後無擔保請求權,投標前請自行查明評估。



【拍賣紀錄】

第一拍|115/03/03|底價340萬|保證金68萬|點交



第二拍|八折降價|底價272萬|單價9.9萬/坪

第三拍|八折降價|底價217.6萬|單價7.9萬/坪



代標找林小姐

安心又會標~Anna幫你買到家!



【投標諮詢|雙人代標】

林小姐0986-678-928(同LINE)

黃先生Pitt0984-508-898(同LINE)

👉https://line.me/ti/p/MJcPvp3nG8

坪數說明
建物登記總坪數 27.59 土地登記總坪數 11.8
主建物坪數 25.19 停車位坪數
附屬建物坪數 2.4 公共設施坪數
增建坪數 地下室坪數
周邊環境
生活機能 鄰近交通
鄰近地標 公園綠地
鄰近學區 捷運站
房子聯絡人資訊
聯絡人姓名 林宸妍
(煩請告知聯絡人,您是在House-Info房屋網看到這則廣告,真摯感恩您的幫忙)
手機
0986-678-928
電子信箱
Skype通話 Line加入好友 Line加入好友
所屬公司名稱 財欣不動產管理顧問有限公司 統編:22857204|合法營業|提供正式發票
公司電話 0986678928 公司傳真
公司地址 桃園市桃園區莊敬路一段346號4F
網 址 http://www.0986678928.tw
贊助商廣告
瑞芳拍賣公寓-1
瑞芳拍賣公寓-1
瑞芳拍賣公寓-2
瑞芳拍賣公寓-2
觀看地圖

新北市瑞芳區永龍新?12號3樓-公寓

物件留言
請注意,如果您詢問的內容與物件不相符合或是廣告,經過審核,系統將會直接刪除您的發問內容
等待圖示
檢舉物件不實
等待圖示
黃金曝光
相似物件
www.house-info.tw房屋網免責聲明:本系統為租用式開放房子買賣網站建置平台,僅提供會員查詢-法拍新北瑞芳公寓-等房子資訊參考,並不涉入任何諮詢、交易。 物件(服務)聯絡人公佈的資訊、文字、照片、圖形、產權、廣告內容、或其他資料若有不實或違法情事,或與客戶聯絡交易過程中若衍生民事或刑事等法律問題,皆與本房屋網站無關,所有商標、文章、名稱等版權,皆歸屬原著作者所有!
●電話:07-7963288