| 房子基本資料 |
| 案名 | 台北新北法拍|218 近中壢車站|健行科大|頂增透天附車位 | 案號 | 桃園113七17964 |
| 地址 | 桃園市中壢區星文二街32號2層樓( 附同棟暨三四層頂加增建坪43.02坪 . 土地32.67坪 ) |
| 銷售狀態 | 待標中 | 售價 | 售1353萬5000元 |
| 房子類型 | 法拍透天_附頂樓加蓋 | 總登記坪數 | 46.46 坪 |
| 格局 | 2層樓透天厝( 附同棟暨三四層頂加增建坪43.02坪 . 土地32.67坪 ) | 屋齡 | 39年 |
| 每坪單價 | 29.13萬/坪 | 公設比 | |
| 車位 | 庭院車位 | 座向 | |
| 無障礙環境 | 沒有 | 法拍屋 | 本物件是法拍屋 拍次 : 4 開標日期 : 114/12/18(四) 14:30
|
| 建物所在樓層 | 1+2+3+4層樓/共2層樓 | 管理費 | |
| 管委會 | 沒有 | 中庭 | 沒有 |
| 電梯 | 沒有 | 是否為凶宅 | 不是 |
| 300公尺內嫌惡設施 | | 面前道路 | |
| 面寬 | | 縱深 | |
| 邊間 | 不是 | 房子銷售來源 | 不動產經紀人/專業仲介 |
| 房子特色 | 104法拍網代標//透明房訊 //法拍讀書會//透明實價網//投資課程㊣㊣㊣業界最大法拍屋專業機構㊣㊣㊣ 法拍個案拍賣資訊均與 司法院 // 台灣金融資產服務股份有限公司// 法務部行政執行署拍賣資訊同步刊登,隨時更新!!! ★法拍屋不提供賞屋服務→可透過地政機關建物平面圖、位置圖等資料分析判斷之★
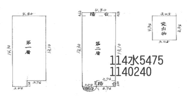
本件拍賣資訊節錄: 點交情形→經債務人開門入屋以肉眼檢視,一樓及車庫空間皆堆置生活雜務,無明顯漏水壁癌痕跡。經詢問債務人彭O琴,標的房屋為彭月琴及其孫子自住,未出租。無地震颱風火災受損、無輻射、海砂屋或非自然死亡情形。房屋內無漏水壁癌,但頂樓增建之鐵皮屋頂大雨時有時會滴水。經地政測量,一樓前後增建遮雨棚,二樓無增建,三樓除原有屋凸部分皆為增建,四樓整層增建遮雨棚。債務人現實佔有中,拍定後點交。
謄本資料→[謄本]:總坪數46.46坪[主建坪39.52坪,附屬坪6.94坪],另增建坪43.02坪(建號:12881)[加強磚造/住家用];土地:32.67坪
是【大學法律學系的法學士】→1996年畢業 也是【通過國家考試及格執業21年的代書】→2004年迄今 更是【任職律師事務所職司法律相關事務30年的法務經理】→1995年迄今 能精準為您分析判讀法拍個案的觸角,維繫您的個案權益。 專業指名:張世興代書 服務專線:02-2263-1206 行動電話:0986-666-000
公司名稱:一零四法拍網股份有限公司/統一編號28306523 經紀人名字&字號:林桂英/北市經證第001243號 營業員名字&證照號碼:張世興/(107)登字第331706號
個案物件均依各拍賣機關拍賣公告底價投開標.如當拍未拍定時,除經債權人聲明指定底價外.原則依前拍底價酌減20%估算次拍底價(強制執行法第91條、92條參照) 【第一拍:2349.5萬114年09月11日流標】 【第二拍:1879.6萬114年10月16日流標】 【第三拍:1503.8萬114年11月20日流標】
【第四拍:1353.5萬114年12月18日待標】
張世興代書→其他法拍屋搜尋網站: H0USEINFO→ http://www.沿金標法拍.tw 樂屋網→ https://vip.rakuya.com.tw/0986666000/sell |
| 坪數說明 |
| 建物登記總坪數 | 46.46 | 土地登記總坪數 | 32.67 |
| 主建物坪數 | 39.52 | 停車位坪數 | |
| 附屬建物坪數 | 6.94 | 公共設施坪數 | |
| 增建坪數 | 43.02 | 地下室坪數 | |
| 周邊環境 |
| 生活機能 | | 鄰近交通 | |
| 鄰近地標 | | 公園綠地 | |
| 鄰近學區 | | 捷運站 | |
| 房子聯絡人資訊 |
| 聯絡人姓名 | 張世興 (煩請告知聯絡人,您是在House-Info房屋網看到這則廣告,真摯感恩您的幫忙) |
| 手機 |  0986-666-000 | 電子信箱 | |
| Skype通話 | | Line加入好友 | |
| 所屬公司名稱 | 一零四法拍網股份有限公司 / 統一編號 28306523 |
| 公司電話 | 沿金標法拍◆(02)2270-0600 ★ 0986-666-000 張世興代書◆『法拍』購屋首選 | 公司傳真 | (02)2274-0884 |
| 公司地址 | 新北市土城區金城路二段396號11樓 |
| 網 址 | http://www.沿金標法拍.tw |